Alfa Laval LabUnit M37/38 — это полностью интегрированная пластинчато-рамная система для процессов мембранной ультрафильтрации и микрофильтрации. Модуль этой установки использует те же опорные пластины и мембраны, что и наши полноразмерные модули мембранной фильтрации. Это делает Alfa Laval LabUnit M37/38 гибким инструментом для разработки процессов, масштабирования, тестирования мембран, контроля качества и мелкосерийного производства. Доступны дополнительные наборы пластин для исходных продуктов с различной вязкостью / содержанием твердых веществ.
Полностью интегрированная система
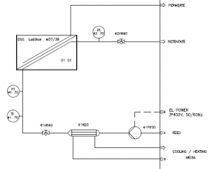
LabUnit M37/38 — это полностью интегрированная настольная система, состоящая из модуля Alfa Laval LabStak® M37/38, насоса, трубопроводов, клапанов и контрольно-измерительных приборов.
Alfa Laval LabUnit M37/38 предлагает гибкость одновременного тестирования до 7 различных типов мембран. Она может быть оснащена полным спектром плоских листовых мембран Alfa Laval для ультрафильтрации и микрофильтрации.
Опция
Для Alfa Laval LabUnit M37/38 мы предлагаем наборы пластин с различной высотой каналов для оптимизации потока и давления:
- Набор пластин M37
Для жидкостей с высокой вязкостью - Набор пластин M38H
Высокий канал, для жидкостей со средней вязкостью - Набор пластин M38L
Низкий канал, для жидкостей с низкой вязкостью
Alfa Laval LabStak® M37/38
Alfa Laval LabStak® M37/38, установленный в Alfa Laval LabUnit M37/38, также доступен как отдельная испытательная установка для тех же применений, что и Alfa Laval LabUnit M37/38, и с теми же отличительными свойствами.
Преимущества
- Полностью интегрированная система, состоящая из Alfa Laval LabStak® M37 или M38 в комплекте с насосом, трубопроводами, клапанами, теплообменником и контрольно-измерительными приборами
- Возможность подключения к байпасному потоку промышленной установки
- Характеристики потока, аналогичные более крупным установкам, для надежности масштабирования
- Доступны варианты с разной высотой каналов для оптимизации потока и давления
- Гибкая конструкция системы
- Гибкая площадь мембран от 0,11 до 1,05 м²
- Одновременное тестирование до 7 различных типов мембран
- Легкая замена мембран
- Высокая рабочая температура (до 80°C)
- Малый внутренний объем
- Все компоненты соответствуют нормам FDA, что позволяет использовать в пищевых и фармацевтических процессах





The feed stream/retentate flows through the open channels across the membrane surface in the plate-and-frame unit.
Отзывы
Отзывов пока нет.