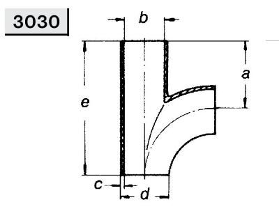
|
DN
|
Размер | |||||
| a | b | с | d | е | ||
| 25 | 50 | 25 | 1,5 | 28 | 100 | |
| 32 | 55 | 31 | 1,5 | 34 | 110 | |
| 40 | 60 | 37 | 1,5 | 40 | 120 | |
| 50 | 70 | 49 | 1,5 | 52 | 140 | |
| 65 | 80 | 66 | 2 | 70 | 160 | |
| 80 | 90 | 81 | 2 | 85 | 180 | |
| 100 | 100 | 100 | 2 | 104 | 200 | |
3030 Ответвительный штуцер С – С – С Niob Fluid
Артикул: Н/Д
Категории: Niob Fluid s.r.o., Тройники, крестовины, разветвления, Фитинги
| Размер DN | DN 100, DN 25, DN 32, DN 40, DN 50, DN 65, DN 80 |
|---|---|
| Производитель | Niob Fluid s.r.o. |
| Марка стали | AISI 304, AISI 316 L |














Отзывы
Отзывов пока нет.