Модуль LabStak™ М10 — это самая маленькая и самая компактная установка Альфа Лаваль для мембранной фильтрации по технологии Cross-flow. Этот универсальный модуль является идеальным инструментом для обучения, а также для проведения научно-исследовательских работ. Модуль LabStak™ M10 может использоваться со всем ассортиментом плосколистовыми мембранами Альфа Лаваль для ультра- и микрофильтрации.
Удобство и универсальность
С площадью мембраны всего 336 см² модуль LabStak™ M10 является самой маленькой установкой в линейке лабораторного оборудования, предлагаемого Альфа Лаваль. Несмотря на простую конструкцию, она позволяет получить полные и достоверные результаты.
Модуль Альфа Лаваль LabStak™ M10 — это чрезвычайно надежная и простая в эксплуатации установка для разработки и оптимизации процессов, подготовки к масштабированию и обучения. Гибкость, обеспечиваемая возможностью установки и тестирования одновременно двух мембран, делает ее эффективным инструментом для начального выбора мембраны.
Лабораторная система Альфа Лаваль LabUnit M10
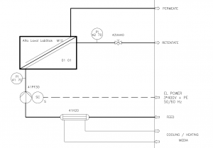
LabUnit M10 является полностью законченной системой, включающей модуль Альфа Лаваль LabStak™ M10 в комплекте с соответствующим насосом, клапаном, теплообменником и контрольно-измерительными приборами.
Особенности и преимущества
- площадь мембраны всего 336 см²
- простота замены мембран
- прозрачная пластина для наблюдения за процессом фильтрации
- одновременное исследование двух разных типов мембран
- высокая рабочая температура (80°C)
- малый объем исследуемой среды (1-3 литра)
- внутренний объем всего 57 мл
- схема течения такая же, как в более крупных модулях
- все компоненты полностью соответствуют нормативам FDA и ECC и разрешены для применения в пищевой и фармацевтической отраслях






Отзывы
Отзывов пока нет.