|
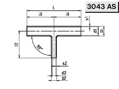
DN
|
Размер | |||||||||
| MPa (max) |
D1xs1 | D2xs2 | d1 | s1 | d2 | s2 | L | l0 | l2 | |
| 10/6 | 2,5 | 13×1,5 | 8×1 | 10 | 1,5 | 6 | 1 | 60 | 30 | 30 |
| 10/8 | 2,5 | 13×1,5 | 8×1 | 10 | 1,5 | 8 | 1 | 60 | 30 | 30 |
| 15/8 | 2,5 | 19×1,5 | 10×1 | 16 | 1,5 | 8 | 1 | 70 | 35 | 35 |
| 15/10 | 2,5 | 19×1,5 | 13×1,5 | 16 | 1,5 | 10 | 1,5 | 70 | 35 | 35 |
| 20/10 | 2,5 | 23×1,5 | 13×1,5 | 20 | 1,5 | 10 | 1,5 | 80 | 40 | 40 |
| 20/15 | 2,5 | 23×1,5 | 19×1,5 | 20 | 1,5 | 16 | 1,5 | 80 | 40 | 40 |
| 25/15 | 2,5 | 29×1,5 | 19×1,5 | 26 | 1,5 | 16 | 1,5 | 100 | 50 | 50 |
| 25/20 | 2,5 | 29×1,5 | 23×1,5 | 26 | 1,5 | 20 | 1,5 | 100 | 50 | 50 |
| 32/15 | 2,5 | 35×1,5 | 19×1,5 | 32 | 1,5 | 16 | 1,5 | 110 | 55 | 55 |
| 32/20 | 2,5 | 35×1,5 | 23×1,5 | 32 | 1,5 | 20 | 1,5 | 110 | 55 | 55 |
| 32/25 | 2,5 | 35×1,5 | 29×1,5 | 32 | 1,5 | 26 | 1,5 | 110 | 55 | 55 |
| 40/20 | 2,5 | 41×1,5 | 23×1,5 | 38 | 1,5 | 20 | 1,5 | 120 | 60 | 60 |
| 40/25 | 2,5 | 41×1,5 | 29×1,5 | 38 | 1,5 | 26 | 1,5 | 120 | 60 | 60 |
| 40/32 | 2,5 | 41×1,5 | 35×1,5 | 38 | 1,5 | 32 | 1,5 | 120 | 60 | 60 |
| 50/25 | 2,5 | 53×1,5 | 29×1,5 | 50 | 1,5 | 26 | 1,5 | 160 | 80 | 80 |
| 50/32 | 2,5 | 53×1,5 | 35×1,5 | 50 | 1,5 | 32 | 1,5 | 160 | 80 | 80 |
| 50/40 | 2,5 | 53×1,5 | 41×1,5 | 50 | 1,5 | 38 | 1,5 | 160 | 80 | 80 |
| 65/32 | 1,6 | 70×2 | 41×1,5 | 66 | 2 | 32 | 1,5 | 210 | 105 | 80 |
| 65/40 | 1,6 | 70×2 | 53×1,5 | 66 | 2 | 50 | 1,5 | 210 | 105 | 80 |
| 65/40 | 1,6 | 70×2 | 53×1,5 | 66 | 2 | 50 | 1,5 | 210 | 105 | 80 |
| 80/40 | 1,6 | 85×2 | 41×1,5 | 81 | 2 | 38 | 1,5 | 260 | 130 | 105 |
| 80/50 | 1,6 | 85×2 | 53×1,5 | 81 | 2 | 50 | 1,5 | 260 | 130 | 105 |
| 80/65 | 1,6 | 85×2 | 53×1,5 | 81 | 2 | 66 | 2 | 260 | 130 | 105 |
| 100/50 | 1,25 | 104×2 | 53×1,5 | 100 | 2 | 50 | 1,5 | 310 | 155 | 130 |
| 100/65 | 1,25 | 104×2 | 70×2 | 100 | 2 | 66 | 2 | 310 | 155 | 130 |
| 100/80 | 1,25 | 104×2 | 85×2 | 100 | 2 | 81 | 2 | 310 | 155 | 130 |
3043 Т-деталь (тройник) С-С-С редукционный Niob Fluid
Артикул: Н/Д
Категории: Niob Fluid s.r.o., Асептика, Тройники, крестовины, разветвления, Фитинги
| Производитель | Niob Fluid s.r.o. |
|---|---|
| Марка стали | AISI 316 L |
| Размер DIN (редукция) | DN 10/6, DN 10/8, DN 100/50, DN 100/65, DN 100/80, DN 15/10, DN 15/8, DN 20/10, DN 20/15, DN 25/10, DN 25/15, DN 25/20, DN 32/15, DN 32/20, DN 32/25, DN 40/20, DN 40/25, DN 40/32, DN 50/25, DN 50/32, DN 50/40, DN 65/32, DN 65/40, DN 65/50, DN 80/40, DN 80/50, DN 80/65 |









Отзывы
Отзывов пока нет.