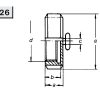
|
DN
|
Размер | |||||
| a | b | c | d | e |
кг
|
|
| Резьба DIN | ||||||
| 10 | 26 | 12 | 1,5 | 28 x 1/8″ | 43 | 0,046 |
| 15 | 35 | 18 | 1,5 | 34 x 1/8″ | 52 | 0,064 |
| 20 | 40 | 22 | 1,5 | 44 x 1/6″ | 59 | 0,114 |
| 25 | 50 | 28 | 1,5 | 52 x 1/6″ | 72 | 0,166 |
| 32 | 55 | 34 | 1,5 | 58 x 1/6″ | 77 | 0,227 |
| 40 | 60 | 40 | 1,5 | 65 x 1/6″ | 82 | 0,264 |
| 50 | 70 | 52 | 1,5 | 78 x 1/6″ | 93 | 0,390 |
| 65 | 80 | 70 | 2 | 95 x 1/6″ | 105 | 0,680 |
| 80 | 90 | 85 | 2 | 110 x 1/4″ | 115 | 1,030 |
| 100 | 100 | 104 | 2 | 130 x 1/4″ | 130 | 1,440 |
3004 Угольник (отвод) Р-С, 90° Niob Fluid
Артикул: Н/Д
Категории: Niob Fluid s.r.o., Угольники, отводы, колена, Фитинги
| Размер DN | DN 10, DN 100, DN 15, DN 20, DN 25, DN 32, DN 40, DN 50, DN 65, DN 80 |
|---|---|
| Производитель | Niob Fluid s.r.o. |
| Марка стали | AISI 304 |














Отзывы
Отзывов пока нет.