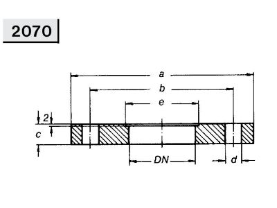
|
DN
|
Размер | |||||
| a | b | c | d | e |
кг
|
|
| 10 | 90 | 60 | 11 | 14 x 4 | 12,2 | 0,50 |
| 15 | 95 | 65 | 11 | 14 x 4 | 18,2 | 0,60 |
| 20 | 105 | 75 | 13 | 14 x 4 | 22,2 | 0,85 |
| 25 | 115 | 85 | 13 | 14 x 4 | 28,2 | 1,11 |
| 32 | 140 | 100 | 13 | 18 x 4 | 34,2 | 1,60 |
| 40 | 150 | 110 | 13 | 18 x 4 | 40,2 | 1,80 |
| 50 | 165 | 125 | 15 | 18 x 4 | 52,2 | 2,30 |
| 65 | 185 | 145 | 15 | 18 x 4 | 70,3 | 2,88 |
| 80 | 200 | 160 | 15 | 18 x 8 | 85,3 | 3,20 |
| 100 | 220 | 180 | 15 | 18 x 8 | 104,3 | 4,00 |
2070 Фланец PN 10 DIN 2576 Niob Fluid
Артикул: Н/Д
Категории: Niob Fluid s.r.o., Соединительная арматура, Фланцевые соединения
2070 Руководство по эксплуатации
| Размер DN | DN 10, DN 100, DN 125, DN 15, DN 150, DN 20, DN 200, DN 25, DN 250, DN 32, DN 40, DN 50, DN 65, DN 80 |
|---|---|
| Производитель | Niob Fluid s.r.o. |
| Марка стали | AISI 304, AISI 316 L |














Отзывы
Отзывов пока нет.