350 x 400 mm AISI 304 – 316 L
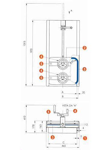
| 1 – кайма |
| 2 – крышка |
| 3 – уплотнение |
| 4 – затягивание |
| 5 – задвижка |
| ART. | A | B | C | P. max bar |
| 6015 | 415 x 360 | 455 x 400 | 425 x 370 | 1 |
| 1 – кайма |
| 2 – крышка |
| 3 – уплотнение |
| 4 – затягивание |
| 5 – задвижка |
| ART. | A | B | C | P. max bar |
| 6015 | 415 x 360 | 455 x 400 | 425 x 370 | 1 |
| Производитель | Niob Fluid s.r.o. |
|---|---|
| Марка стали | AISI 304, AISI 316 L |
Получить консультацию
Отзывы
Отзывов пока нет.