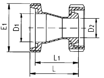
|
DN
|
Размер | |||||
| D1 | D2 | E1 | L | L1 | kg | |
| 32/25 | 32 | 26 | 58×1/6″ | 55 | 48 | 0,35 |
|---|---|---|---|---|---|---|
| 40/25 | 38 | 26 | 65×1/6″ | 66 | 59 | 0,45 |
| 40/32 | 38 | 32 | 65×1/6″ | 58 | 51 | 0,50 |
| 50/32 | 50 | 32 | 78×1/6″ | 81 | 74 | 0,57 |
| 50/40 | 50 | 38 | 78×1/6″ | 71 | 64 | 0,64 |
| 65/40 | 66 | 38 | 95×1/6″ | 102 | 94 | 0,73 |
| 65/50 | 66 | 50 | 95×1/6″ | 82 | 74 | 0,87 |
| 80/50 | 81 | 50 | 110×1/4″ | 109 | 101 | 1,05 |
| 80/65 | 81 | 66 | 110×1/4″ | 84 | 76 | 1,35 |
| 100/65 | 100 | 66 | 130×1/4″ | 123 | 113 | 1,43 |
| 100/80 | 100 | 81 | 130×1/4″ | 101 | 91 | 1,10 |
2064 Переходник Р-К/М Niob Fluid
Артикул: Н/Д
Категории: Niob Fluid s.r.o., Муфты, ниппели, переходники, Соединительная арматура
| Производитель | Niob Fluid s.r.o. |
|---|---|
| Марка стали | AISI 304 |













Отзывы
Отзывов пока нет.